Модуль управления Neptun Base 220В

О товаре
Код товара:
1993177
Артикул продавца:
3566
Производитель:

Модуль управления Neptun Base 220В

5 800 

Прораб Шоп
В наличии

Описание

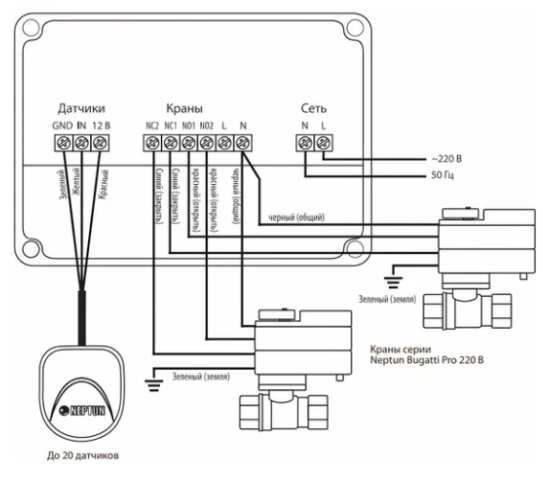
Модуль управления Neptun Base устройство для управления системой контроля протечки воды. Предназначен для бытового использования. Модуль обрабатывает сигналы, поступающие от датчиков протечки воды и передает управляющий сигнал для блокировки подачи воды. Также устройство информирует пользователя об аварийном положении световым и звуковым сигналами. Монтаж модуля осуществляется накладным способом в удобном для эксплуатации месте. Напряжение на краны подается только во время протечки. В остальное время краны обесточены.

Максимальное количество подключаемых датчиков протечки воды серии SW 20 шт. Максимальное количество подключаемых шаровых кранов с электроприводом 6 шт.

Характеристики

Артикул:
Бренд:
Напряжение питания, В:
220
Вес:
Перед покупкой уточняйте характеристики и комплектацию у продавца.
Информация о технических характеристиках, комплекте поставки, стране изготовления, внешнем виде и цвете товара носит справочный характер и основывается на последних доступных к моменту публикации сведениях.